Контроллер управления стендом для промывки форсунок FORSAGE 4 BOX
ЖК двухстрочный экран
Защита от короткого замыкания
Режим диагностики сопротивления форсунок
Два режима промывки
Сравнительный тест производительности форсунок
Контроллер управления стендом для промывки форсунок.
- Четырехканальный интерфейс
- ЖК двухстрочный экран
- Защита от короткого замыкания
- Режим диагностики сопротивления форсунок
- Два режима промывки
- Сравнительный тест производительности форсунок
Клавиатура:
«+»- увеличение длительности открытия форсунки от 0,4- 4,0 мили секунд.
«-»- уменьшение длительности открытия форсунки от 0,4- 4,0 мили секунд.
START- включает и выключает промывку.
TEST- в основном режиме включает режим тестирования производительности форсунок.
При включении питания на экране появится надпись:

Затем контроллер перейдет в основной режим:

Подключите форсунки к выходам F1-F4. Установите напряжение соответствующее номинальному для данных форсунок. Установите длительность от 0,4mS до 4,0mS (рекомендуемая 2,0mS). Частоту от 50Гц до 200Гц (зависит от производительности форсунки). Нажмите кнопку START.

Контроллер произведет диагностику сопротивления форсунок и отобразит их в оммах. При повторном нажатии кнопки START включится режим чистки.

При повторном нажатии кнопки START режим промывки будет остановлен.

При нажатии и удержании кнопки START более 2 секунд в режиме промывки форсунок контроллер переключается в режим кавитационный-резонансного режима промывки (форсаж).

Выход из режима форсаж с помощью кнопки START.

Режим TEST:
В основном режиме при нажатии кнопки TEST

При этом на экране отображается количество импульсов, частота, напряжение и длительность импульсов. В данном режиме возможно изменять напряжение и длительность импульсов для получения сравнительной характеристики форсунок. Выход из режима тестирования происходит при повторном нажатии кнопки START/STOP. Для приостановления работы контроллера в режиме тестирования нажмите кнопку TEST.
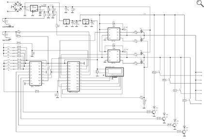
Принципиальная схема:
Оплачивайте покупки удобным способом. В интернет-магазине доступно 3 варианта оплаты:
- Наличные при самовывозе или доставке курьером. Специалист свяжется с вами в день доставки, чтобы уточнить время и заранее подготовить сдачу с любой купюры. Вы подписываете товаросопроводительные документы, вносите денежные средства, получаете товар и чек.
- Безналичный расчет при самовывозе или оформлении в интернет-магазине: карты МИР, Visa и MasterCard. Чтобы оплатить покупку, система перенаправит вас на сервер системы ASSIST. Здесь нужно ввести номер карты, срок действия и имя держателя.
- ЮMoney при онлайн-заказе. Для совершения покупки система перенаправит вас на страницу платежного сервиса. Здесь необходимо заполнить форму по инструкции.
Экономьте время на получении заказа. В интернет-магазине доступно 4 варианта доставки:
- Курьерская доставка работает с 9.00 до 19.00. Когда товар поступит на склад, курьерская служба свяжется для уточнения деталей. Специалист предложит выбрать удобное время доставки и уточнит адрес. Осмотрите упаковку на целостность и соответствие указанной комплектации.
- Самовывоз из магазина. Список торговых точек для выбора появится в корзине. Когда заказ поступит на склад, вам придет уведомление. Для получения заказа обратитесь к сотруднику в кассовой зоне и назовите номер.
- Постамат. Когда заказ поступит на точку, на ваш телефон или e-mail придет уникальный код. Заказ нужно оплатить в терминале постамата. Срок хранения — 3 дня.
- Почтовая доставка через почту России. Когда заказ придет в отделение, на ваш адрес придет извещение о посылке. Перед оплатой вы можете оценить состояние коробки: вес, целостность. Вскрывать коробку самостоятельно вы можете только после оплаты заказа. Один заказ может содержать не больше 10 позиций и его стоимость не должна превышать 100 000 р.


