Эмулятор сажевого фильтра SK-05
Тип двигателя: дизельный
Установка: в разрыв цепи
Программирование: Нет
Сохраняется диагностика
Эмулятор сажевого фильтра
- Для автомобилей с дизельным двигателем
- Данный модуль имитирует поведение сажевого фильтра
- Не требуется никакого перепрограммирования блоков управления двигателем
- Вся система работает в штатном режиме
- Полностью сохраняется диагностика
Что такое сажевый фильтр и почему он выходит из строя:
Сажевый фильтр это часть выхлопной системы автомобиля которая отвечает за очистку выхлопных газов от продуктов горения и со временем от в фильтре накапливается сажа, в зависимости от того какого типа фильтр установлен на автомобиль, необходимо искать способы очистки или замены фильтра. Так например обычный фильтр закрытого типа (DPF) придется заменить полностью, что обойдется в кругленькую сумму. Другое дело если у Вас саморегенирубщийся фильтр типа (FAP), который сам определяет степень загрязнения сажевого фильтра (за счет датчиков давления на входе и выходе из фильтра) и запускает процесс регенерации, но тут не все так просто как кажется, для запуска самогенерации необходимо соблюсти определенные условия, которые выполнить не всегда получается, чтобы фильтр самоотчистился необходимо чтоб двигатель набрал определенную температуру (необходима продолжительная езда без остановки на высокой скорости ), а учитывая качество топлива и частые пробки не всегда удается достичь желаемого., поэтому даже саморегенирирующиеся фильтры выходят из строя и их тоже необходимо менять.
Последствия езды с неработающим сажевым фильтром могут быть печальными, начиная с постоянно горящей кнопкой ошибки и ухудшением скоростных качеств автомобиля, заканчивая проблемами с работой самого двигателя.
Как решить проблему замены сажевого фильтра?
Для того чтобы решить проблему замены сажевого фильтра и не тратить дополнительных денег на новую запчасть, устанавливают эмулятор сажевого фильтра, данное устройство монтируется в местофильтра и передает заранее запрограммированные сигналы в систему управления двигателем, устройство искусственно эмулирует работу сажевого фильтра. Данное устройство просто в применении и подключается к датчикам отвечающим за работу фильтра.
Модель поведения сажевого фильтра формирует сигналы датчиков перепада давления и температуры. При этом, в модели поведения сажевого фильтра учитываются следующие показатели:
- Расход воздуха;
- Температура выхлопных газов;
- Теплоёмкость фильтра;
- Термодинамика оригинальной выхлопной системы;
- Влияние химических процессов в фильтре FAP / DPF на показания датчиков;
- Эмулируется увеличение степени заполнения фильтра;
- Отслеживается начало регенерации и эмулируется поведение фильтра при регенерации.

Использование эмулятора не вредит автомобилю и позволяет, существенно сэкономить деньги, поставив 1 раз эмулятор вы сможете пользоваться им постоянно, в отличии от дорогой замены сажевого фильтра который в итоге Вам через некоторое время придется менять снова и снова.Поэтому купить эмулятор сажевого фильтра это самое выгодное решение для владельцев дизельных автомобилей.
Установка эмулятора SK-05
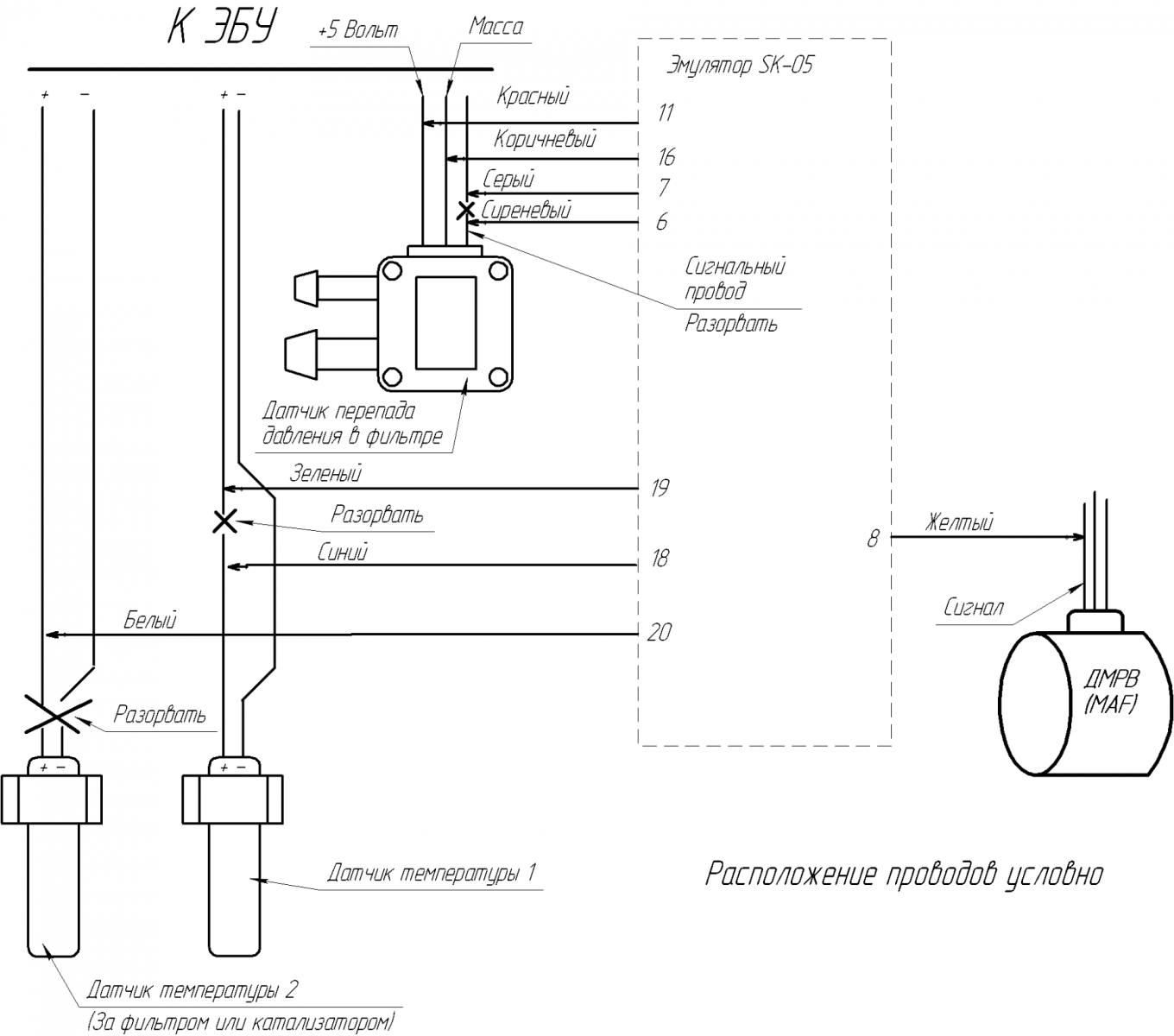
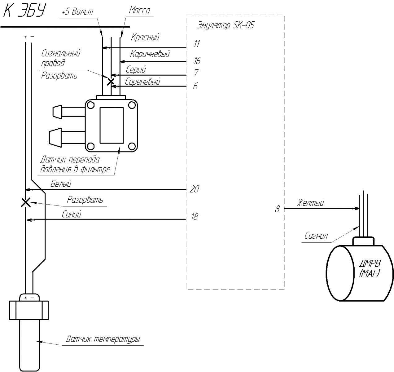
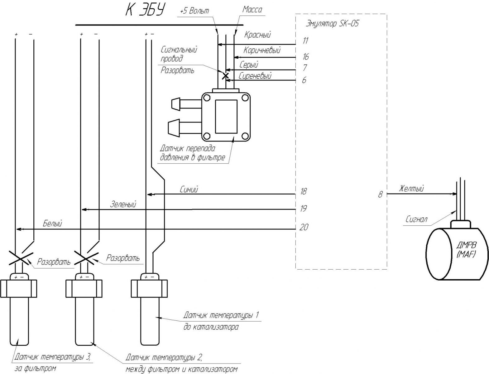
Эмулятор должен устанавливаться в месте, защищенном от воздействий повышенных температур и влаги.Полная схема подключений, в зависимости от количества датчиков, показана на риснках.
Схема подключения эмулятора SK-05. 2 датчика температуры.

Перед подключением датчиков температуры необходимо включить зажигание и мультиметром измерить напряжение и определить полярность на их проводах.
Удаляя сажевый фильтр, позаботьтесь о том, что бы 1-й датчик температуры находился в потоке выхлопных газов, а не в стороне от них!
Для того, что бы определить сигнальный провод датчика перепада, нужно включить зажигание и измерить напряжение на проводах датчика относительно кузова (Расположение проводов на схеме условно). Обычно на проводах имеются напряжения питания 0 и 5 вольт. На сигнальном проводе напряжение при заглушенном двигателе обычно составляет около 0,4 … 1,0 вольт, в некоторых случаях – 2,5В.
Подключение эмулятора SK-05 на авто с одним датчиком температуры (датчик на турбине не в счет).

Для того, что бы определить сигнальный провод MAF, нужно запустить мотор и определить сигнальный провод путем измерения напряжения относительно массы автомобиля. Напряжение на этом проводе должно составлять примерно 1 … 1,7В. При нажатии на педаль газа это напряжение должно увеличиваться. В некоторых моделях двигателей могут применяться MAF с частотным выходом – напряжение на сигнальном проводе такого датчика существенно не изменяется и составляет примерно 2,5В. Если у Вас такой MAF, в настройках эмулятора необходимо выбрать тип ДМРВ «Цифровой» (эмулятор обычно поставляется уже настроенным под конкретный автомобиль).
На некоторых автомобилях могут потребоваться дополнительные действия по подключению и настройке. В этом случае, к инструкции прилагается приложение.
Схема подключения эмулятора SK-05 с 3-мя датчиками температуры.

На автомобилях с напряжением на датчике температуры 0,5 … 0,6 вольт (на холодном датчике), необходимо разорвать специальную перемычку на плате. Например, к таким автомобилям относятся Opel 1,7 с мотором Z17DTJ, некоторые Audi с 2009г.
После подключения эмулятора, необходимо при помощи сканера произвести адаптацию датчика перепада и замену сажевого фильтра. Проконтролировать адекватность показаний перепада давлений и температуры.
Удаление перемычки для датчиков температуры с напряжением 0,5 … 0,6В.

Схема при удалении и распайке

Проверка эмулятора
- 1. Включить зажигание, подключить сканер (Холодный мотор).
- 2. В реальном времени посмотреть перепад давлений в сажевом фильтре. Должно быть около 0.
- 3. Посмотреть температуру в выхлопной системе (перед катализатором и в сажевом фильтре). Она не должна отличаться более чем на +/- 40 град от реальной для датчиков с напряжением до 1В и не более чем +110 град для датчиков с напряжением 5В.
- 4. Запустить и прогреть мотор. На холостом ходу температура должна составить от 200 до 300град. Перепад давлений – около 0.
- 5. При 3000 об/мин перепад давлений должен составить 5 … 9 mBar (50 … 90 hPa).
- 6. При движении на скорости 100 км/ч температура должна быть 500 … 650град.
Марки автомобилей для которых подходит данное устройство
- Toyota
- Lexus
- Ford
- Opel
- Renault
- Audi
- Mazda
- MAN
- Nissan
- BMW
- WV
- Mercedes
- Fiat
- Volvo
- Isuzu
- Hino Dutro
- Jaguar
- Ssang Yong
- Subaru
Для установки оборудования мы рекомендуем обратиться к специалистам нашего «Установочного центра»
Оплачивайте покупки удобным способом. В интернет-магазине доступно 3 варианта оплаты:
- Наличные при самовывозе или доставке курьером. Специалист свяжется с вами в день доставки, чтобы уточнить время и заранее подготовить сдачу с любой купюры. Вы подписываете товаросопроводительные документы, вносите денежные средства, получаете товар и чек.
- Безналичный расчет при самовывозе или оформлении в интернет-магазине: карты МИР, Visa и MasterCard. Чтобы оплатить покупку, система перенаправит вас на сервер системы ASSIST. Здесь нужно ввести номер карты, срок действия и имя держателя.
- ЮMoney при онлайн-заказе. Для совершения покупки система перенаправит вас на страницу платежного сервиса. Здесь необходимо заполнить форму по инструкции.
Экономьте время на получении заказа. В интернет-магазине доступно 4 варианта доставки:
- Курьерская доставка работает с 9.00 до 19.00. Когда товар поступит на склад, курьерская служба свяжется для уточнения деталей. Специалист предложит выбрать удобное время доставки и уточнит адрес. Осмотрите упаковку на целостность и соответствие указанной комплектации.
- Самовывоз из магазина. Список торговых точек для выбора появится в корзине. Когда заказ поступит на склад, вам придет уведомление. Для получения заказа обратитесь к сотруднику в кассовой зоне и назовите номер.
- Постамат. Когда заказ поступит на точку, на ваш телефон или e-mail придет уникальный код. Заказ нужно оплатить в терминале постамата. Срок хранения — 3 дня.
- Почтовая доставка через почту России. Когда заказ придет в отделение, на ваш адрес придет извещение о посылке. Перед оплатой вы можете оценить состояние коробки: вес, целостность. Вскрывать коробку самостоятельно вы можете только после оплаты заказа. Один заказ может содержать не больше 10 позиций и его стоимость не должна превышать 100 000 р.
