Разъем угловой на корпус, с гайкой, под пайку SMA(м)-KWE-F
Соединение: Пайка
На корпус
Сопротивление: 50 Ом
Рабочее напряжение: 335 В
О товаре
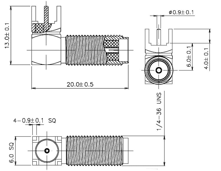
Разъем SMA(м)-KWE-F угловой на корпус, с гайкой, под пайку (SMA-F, 1/4-36UNS-2A). SMA (субминиатюрный тип В) – малогабаритный высокочастотный разъем с металлическим наконечником, в котором крепление вилки к розетке осуществляется шестигранной накидной гайкой. Высокочастотный разъем – конструкция, предназначенная для подсоединения различных электронных устройств к электрическим цепям для осуществления согласованной надежной передачи сигналов высокой частоты. При этом в местах соединения потери сводятся к минимуму. Высокочастотные разъемы могут иметь обычные или изолированные корпусы.По способу соединения они могут быть: с байонетным соединением или с резьбовым соединением.

Предназначен для соединения и разъединения в электронных цепях передачи сигнала высокой частоты, в радиоаппаратуре, беспроводных системах связи. Разъемы серии SMA характеризуются высокой механической прочностью, долговечностью, обеспечивают надежное соединение с низким значением КСВН.

Особенности
- Тип разъёма — SMA-F, 1/4-36UNS-2A
- Описание — Разъем высокочастотный
- Диапазон рабочих частот, ГГц — до 18
- Волновое сопротивление, Ом — маркировка - 75 (без обозначения - 50)
- Контактное сопротивление, мОм, не более — 3
- Сопротивление изоляции, МОм, не менее — 5000
- Диэлектрическая прочность, В — 1500
- Материал корпуса — бронза
- Материал контакта — бериллиевая медь
- Покрытие контакта — золото 0,76 мкм min по никелю
- Материал изолятора — тефлон
- Диапазон рабочих температур, °C — -65…+165
- Количество соединений/ разъединений, циклов, не менее — 500
- Глубина, мм — 20
- Вес брутто — 1.51
Технические характеристики
| Тип | гнездо (мама) |
| Соединение | пайка |
| Креплегние | на корпус |
| Рабочее напряжение | 335 В |
| Сопротивление | 50 Ом |
Комплектация:
- Разъем - 1 шт.
Оплачивайте покупки удобным способом. В интернет-магазине доступно 3 варианта оплаты:
- Наличные при самовывозе или доставке курьером. Специалист свяжется с вами в день доставки, чтобы уточнить время и заранее подготовить сдачу с любой купюры. Вы подписываете товаросопроводительные документы, вносите денежные средства, получаете товар и чек.
- Безналичный расчет при самовывозе или оформлении в интернет-магазине: карты МИР, Visa и MasterCard. Чтобы оплатить покупку, система перенаправит вас на сервер системы ASSIST. Здесь нужно ввести номер карты, срок действия и имя держателя.
- ЮMoney при онлайн-заказе. Для совершения покупки система перенаправит вас на страницу платежного сервиса. Здесь необходимо заполнить форму по инструкции.
Экономьте время на получении заказа. В интернет-магазине доступно 4 варианта доставки:
- Курьерская доставка работает с 9.00 до 19.00. Когда товар поступит на склад, курьерская служба свяжется для уточнения деталей. Специалист предложит выбрать удобное время доставки и уточнит адрес. Осмотрите упаковку на целостность и соответствие указанной комплектации.
- Самовывоз из магазина. Список торговых точек для выбора появится в корзине. Когда заказ поступит на склад, вам придет уведомление. Для получения заказа обратитесь к сотруднику в кассовой зоне и назовите номер.
- Постамат. Когда заказ поступит на точку, на ваш телефон или e-mail придет уникальный код. Заказ нужно оплатить в терминале постамата. Срок хранения — 3 дня.
- Почтовая доставка через почту России. Когда заказ придет в отделение, на ваш адрес придет извещение о посылке. Перед оплатой вы можете оценить состояние коробки: вес, целостность. Вскрывать коробку самостоятельно вы можете только после оплаты заказа. Один заказ может содержать не больше 10 позиций и его стоимость не должна превышать 100 000 р.
